Resources
Product Studies
EPDM V-Belts Resource
Industries Served
Factory
Farm & Home
Shop & Reseller
Catalog Download
Technical Data
Tensile Strengths
My Lists
View Cart ()
Buy Cart
RFQ Cart
Login
My Account
View RFQ
Submit Quote
View Cart
Checkout
Contact Us
Work with Us
Bin Stocking
Discount Pricing
VMI Services
Fasteners
Tools &
Abrasives
Hoses &
Fittings
Cables, Chains, &
Towing Supplies
Power
Transmission
Supplies
Electrical
Components
Lubricants, Chemicals,
& Sealants
Safety
Supplies
Special
Offers
If you have an existing online account with EPCO Sales, please
login
to receive your pricing
Home
/
Power Transmission Supplies
/
Ag Chains & Sprockets
/
Steel Detachable Chain
/
Attachment Links
/ #67H-ASR Steel Detachable Chain Attachment Link
#67H-ASR Steel Detachable Chain Attachment Link
Part Number: [SDC67HASR]
Price: $6.64205
Total Price:
$6.64
(6.64205/EA)
On Hand: 79
Quantity:
Add to Cart
Add to Quote
PRODUCT DETAILS
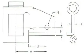
SDC67HASR SPECS
Part #:
SDC67HASR
A:
2-1/32
B:
1-3/32
F:
9/16
N:
21/64
T:
0.185
Type:
Attachment Link
Type 2:
ASR
System of Measurement:
US
Material:
Steel
Power
Transmission
Supplies
Bearings
Balls for Bearings
Ball Bearings
Ball Bearings
Bearing Inserts
Housings
Flangettes
2 Bolt Flanges
3 Bolt Flanges
4 Bolt Flanges
Hanger Units
Pillow Blocks
Piloted Flanges
Take-Up Units
Tapped Base Pillow Blocks
Roller Bearings
Rod Ends
Belts and Pulleys
Pulleys
Bushings
Timing Belts
V-Belts
Multi Ribbed Belts
Linkage Parts
Bronze & Steel Bushings
Sprockets & Roller Chains
Roller Chain
Chain
Connecting Link
Offset Link
Roller Link
Sprockets
Bushings
Ag Chains & Sprockets
SDC Sprockets
Pintle Chain
Ag Roller Chain
Steel Detachable Chain
Chain
Attachment Links
Spreader Web
Shafts
Shaft Couplers
Chain Couplers
Solid Couplers
Jaw Couplings
PTO Parts
Adapters
Yokes
Bearing Shield Kits
Bar Weld Yokes
Tube Weld Yokes
Torq Tube Yokes
Snap Hitch Yokes
Ball Snap Yokes
Square Bore Yokes
Round Bore Yolks
Yoke & Tube Assembly
U-Joints
Slip Sleeve Yoke
PTO Shields
Repair Kits
PTO Shafts
Snap Hitch Shear Yokes
Miscellaneous Yokes
Keystock & Machine Keys
Keystock
Machine Keys
Half Moon Keys
Shaft Collars
Grease Fittings
Power Transmission Product Assortments
Tired of one-size-fits-all suppliers?
Discover how we tailor our support to your needs.
Explore Our Approach